本系统是针对SCR脱硝装置的入口、出口烟气浓度场不平衡而开发的分布式网格法NOX/O2测量系统。在SCR脱硝装置喷氨格栅前的烟道和SCR脱硝装置催化剂出口的烟道分别进行分区域、网格化测量烟气中的NOX和O2浓度,解决目前SCR脱销装置中入\出口的单点CESM测量系统的不具代表性问题。
对SCR入口烟道截面烟气浓度场进行网格化测量,可以预判锅炉排出的烟气浓度场是否均匀;对SCR出口烟道截面烟气浓度场进行网格化测量,可以直观判断不同区域不同的NH3/NOx摩尔比、催化剂的区域活性以及催化剂区域堵塞情况。本系统可以作为手动调节喷氨母管手动阀门的开度,以达到手动优化喷氨的目的,也可配置自动调节阀和外挂式智能喷氨控制器,到达自动智能优化喷氨的目的。

本系统采用我公司专利技术的ZN-NOX直插型氮氧化物检测探头,探头直接插入高温烟道中,对烟气中的NOX/O2进行连续在线测量。该探头为半导体陶瓷原理,可以直接工作在高温高粉尘的气氛中,反应速度小于3秒。探头结构简单,安装方便,直接插入烟道内测量,针对烟道截面分区,可以插入不同深度。探头到现场变送器柜之间采用标准总线通讯模式,通过一根双芯电缆线即可对所有探头检测信号进行采集。一台变送器柜可以同时连接8只检测探头,大大简化了现场的施工和布线工作量。由于系统结构和安装都很简单,而且成本可控,因此非常适合进行分布式网格法检测。

■ 系统特点
本系统为分布式网格法同时测量,探头直接插入烟道中,烟道截面安装多个探头同时检测,多个探头检测数据同步显示。比传统的CEMS多点取样循环检测系统响应速度快,无需巡检,无取样滞后,结构简单,安装方便,运行维护更省事。
以一个烟道截面分成5个区为例:传统5点取样巡检的CEMS系统,需要5只取样过滤反吹探头、5根电伴热保温一体管、5只高温切换阀,一套CEMS系统主机,如下图所示。

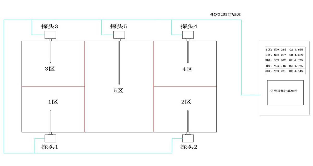
分布式网格法测量统只需5只检测探头和一台变送器柜,组成一套原位直插式5点实时测量系统,5路测量数据同步实时监测显示,性价比更高,如下图所示。

■ 系统技术
|
技术参数 |
测量组分 |
NOX、O2 |
|
检测原理 |
半导体陶瓷氧泵(不受背景气体交叉干扰) |
|
|
量程范围 |
NOX:0-1500ppm O2:0-21% |
|
|
分辨率 |
NOX:1ppm O2:0.01% |
|
|
测量精度 |
NOX:±3%F S O2:±2%F S |
|
|
响应时间 |
≤5 S |
|
|
预热时间 |
≤10min |
|
|
探头工作温度 |
0-700℃ |
|
|
探头长度 |
600、1200、1500、1800、2200、3000、4000 特殊定制长度 |
|
|
防护等级 |
IP55 |
|
|
系统电源 |
AC220V 50HZ ±10% |
|
|
模拟量输出 |
2路4-20(隔离,最大负载500Ω) |
|
|
通讯接口 |
RS485(可选) |
|
|
继电器输出 |
2路(干接点 220V 1A) |
|
|
系统组成探头数量 |
一台变送器柜可同时连接8只探头 |
|
|
探头安装尺寸 |
DN50/DN65法兰连接 |
|
|
变送器柜尺寸 |
落地安装:1750*800*400(一拖8点机柜) |
|
|
工作环境 |
探头环境温度 |
-20-85℃ |
|
变送器环境温度 |
-5-55℃ |
|
|
工作所需能源介质 |
电源 |
AC220V 50HZ ±10% 500W(每一只探头) |
|
气源 |
0.4-0.7MPa(净化仪表压空或氮气) |
联系我们
肖总电话:13387577921 4008774881
邮箱:huamin@china-huamin.com
地址:武汉市东湖新技术开发区光谷大道特1号国际企业中心锦丰楼C座101室
微信公众号
分享
版权所有 © 百瑞彩票 鄂ICP备16019086号-1 网站建设:中企动力 武汉 公安备案号 42018502003780
